8 (0162) 533 566
с 9:00 до 17:30 (опт)
с 9:00 до 17:00 (розница)
8 (0162) 533 566
8 (033) 691 91 77
8 (029) 798 35 44
Наш адрес: 224024, г. Брест
ул. Красногвардейская, 108Б Схема проезда
-
Крепежная техника
-
Ручной инструмент
-
Электроинструмент и оснастка
-
Оборудование для промышленности
-
Средства индивидуальной защиты
-
Строительные материалы
-
Хозяйственные товары
-
Электротовары
-
Измерительный инструмент
-
Лестницы стремянки
-
Автомобильные товары
-
Мойки высокого давления
-
Сантехника
-
Аппараты для сварки полимерных труб
-
Инструмент для монтажа труб и расходные материалы
-
Канализационные трубы
-
Наружная канализация
-
Коллекторы для воды
-
Коллекторные фитинги
-
Металлопластиковые трубы
-
Обжимные фитинги для металлопластиковых труб
-
Полимерные трубы
-
Шаровые краны для металлопластиковых труб
-
Полипропиленовые трубы
-
Радиаторы отопления
-
Фильтры сантехнические
-
-
Бензоинструмент и оснастка
-
Садовая техника
Лучшие цены в Бресте!
Официальные сертификаты на всю продукцию!
Работаем оптом и в розницу!
Свой аппарат для колеровки краски !
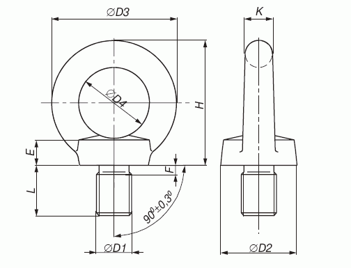
Рым-болт DIN 580
Применяются для подъема и удержания на весу грузов при монтажных и такелажных работах.
Размер рым-болта определяется по резьбовой части.
Материал: углеродистая оцинкованная сталь.
Технические характеристики
| Обозначение | D2, мм | D3, мм | D4, мм | h, мм | k, мм |
|---|---|---|---|---|---|
| 20 | 36 | 20 | 36 | 8 | |
| 20 | 36 | 20 | 36 | 8 | |
| 25 | 45 | 25 | 45 | 10 | |
| 30 | 54 | 30 | 53 | 12 | |
| 35 | 63 | 35 | 62 | 14 | |
| 35 | 63 | 35 | 62 | 14 | |
| 40 | 72 | 40 | 71 | 16 |



Разработка сайта