8 (0162) 533 566
с 9:00 до 17:30 (опт)
с 9:00 до 17:00 (розница)
8 (0162) 533 566
8 (033) 691 91 77
8 (029) 798 35 44
Наш адрес: 224024, г. Брест
ул. Красногвардейская, 108Б Схема проезда
-
Крепежная техника
-
Ручной инструмент
-
Электроинструмент и оснастка
-
Оборудование для промышленности
-
Средства индивидуальной защиты
-
Строительные материалы
-
Хозяйственные товары
-
Электротовары
-
Измерительный инструмент
-
Лестницы стремянки
-
Автомобильные товары
-
Мойки высокого давления
-
Сантехника
-
Аппараты для сварки полимерных труб
-
Инструмент для монтажа труб и расходные материалы
-
Канализационные трубы
-
Наружная канализация
-
Коллекторы для воды
-
Коллекторные фитинги
-
Металлопластиковые трубы
-
Обжимные фитинги для металлопластиковых труб
-
Полимерные трубы
-
Шаровые краны для металлопластиковых труб
-
Полипропиленовые трубы
-
Радиаторы отопления
-
Фильтры сантехнические
-
-
Бензоинструмент и оснастка
-
Садовая техника
Лучшие цены в Бресте!
Официальные сертификаты на всю продукцию!
Работаем оптом и в розницу!
Свой аппарат для колеровки краски !
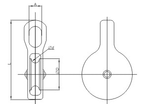
Блок одинарный
Блок с пластиковым шкивом для неметаллических и стальных канатов предназначен для изменения направления движения каната и увеличения силы в грузоподъемном оборудовании.
Материал: углеродистая оцинкованная сталь.
Технические характеристики
| Обозначение | d, мм | A, мм | L, мм | Применяемый трос, мм | Рабочая нагрузка, kH |
|---|---|---|---|---|---|
| 15 | 10 | 50 | 6 | 1,5 | |
| 20 | 11 | 60 | 7 | 2,0 | |
| 25 | 12 | 70 | 7 | 2,3 | |
| 30 | 13 | 80 | 8 | 2,5 | |
| 40 | 14 | 93 | 10 | 3,0 | |
| 50 | 16 | 113 | 12 | 3,9 |



Разработка сайта