8 (0162) 533 566
с 9:00 до 17:30 (опт)
с 9:00 до 17:00 (розница)
8 (0162) 533 566
8 (033) 691 91 77
8 (029) 798 35 44
Наш адрес: 224024, г. Брест
ул. Красногвардейская, 108Б Схема проезда
-
Крепежная техника
-
Ручной инструмент
-
Электроинструмент и оснастка
-
Оборудование для промышленности
-
Средства индивидуальной защиты
-
Строительные материалы
-
Хозяйственные товары
-
Электротовары
-
Измерительный инструмент
-
Лестницы стремянки
-
Автомобильные товары
-
Мойки высокого давления
-
Сантехника
-
Аппараты для сварки полимерных труб
-
Инструмент для монтажа труб и расходные материалы
-
Канализационные трубы
-
Наружная канализация
-
Коллекторы для воды
-
Коллекторные фитинги
-
Металлопластиковые трубы
-
Обжимные фитинги для металлопластиковых труб
-
Полимерные трубы
-
Шаровые краны для металлопластиковых труб
-
Полипропиленовые трубы
-
Радиаторы отопления
-
Фильтры сантехнические
-
-
Бензоинструмент и оснастка
-
Садовая техника
Лучшие цены в Бресте!
Официальные сертификаты на всю продукцию!
Работаем оптом и в розницу!
Свой аппарат для колеровки краски !
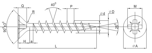
Саморез универсальный
Предназначены для соединения дерева, древесностружечных плит, ДВП и других материалов.
Потайная головка, крестообразный шлиц POZI, острый наконечник, крупная резьба, защитное покрытие - желтый\белый цинк.
Монтаж: Закрутить саморез при помощи отвертки или дрели с крестообразной насадкой POZI №1; №2; №3
Технические характеристики
| Размер (D x L) / Цвет | A, мм | H, мм | D, мм | d, мм | P, мм | Q, мм | M, мм | Шлиц |
|---|---|---|---|---|---|---|---|---|
| 4,7-5,05 | 1,4 | 2,25-2,55 | 1,10-1,50 | 1,1 | 1,22-1,57 | 2,51 | Pz1 | |
| 4,7-5,05 | 1,4 | 2,25-2,55 | 1,10-1,50 | 1,1 | 1,22-1,57 | 2,51 | Pz1 | |
| 4,7-5,05 | 1,4 | 2,25-2,55 | 1,10-1,50 | 1,1 | 1,22-1,57 | 2,51 | Pz1 | |
| 4,7-5,05 | 1,4 | 2,25-2,55 | 1,10-1,50 | 1,1 | 1,22-1,57 | 2,51 | Pz1 | |
| 4,7-5,05 | 1,4 | 2,25-2,55 | 1,10-1,50 | 1,1 | 1,22-1,57 | 2,51 | Pz1 | |
| 4,7-5,05 | 1,4 | 2,25-2,55 | 1,10-1,50 | 1,1 | 1,22-1,57 | 2,51 | Pz1 | |
| 5,7-6,05 | 1,8 | 2,75-3,05 | 1,50-1,90 | 1,35 | 1,60-2,11 | 3 | Pz1 | |
| 5,7-6,05 | 1,8 | 2,75-3,05 | 1,50-1,90 | 1,35 | 1,60-2,11 | 3 | Pz1 | |
| 5,7-6,05 | 1,8 | 2,75-3,05 | 1,50-1,90 | 1,35 | 1,60-2,11 | 3 | Pz1 | |
| 5,7-6,05 | 1,8 | 2,75-3,05 | 1,50-1,90 | 1,35 | 1,60-2,11 | 3 | Pz1 | |
| 5,7-6,05 | 1,8 | 2,75-3,05 | 1,50-1,90 | 1,35 | 1,60-2,11 | 3 | Pz1 | |
| 5,7-6,05 | 1,8 | 2,75-3,05 | 1,50-1,90 | 1,35 | 1,60-2,11 | 3 | Pz1 | |
| 5,7-6,05 | 1,8 | 2,75-3,05 | 1,50-1,90 | 1,35 | 1,60-2,11 | 3 | Pz1 | |
| 5,7-6,05 | 1,8 | 2,75-3,05 | 1,50-1,90 | 1,35 | 1,60-2,11 | 3 | Pz1 | |
| 5,7-6,05 | 1,8 | 2,75-3,05 | 1,50-1,90 | 1,35 | 1,60-2,11 | 3 | Pz1 | |
| 5,7-6,05 | 1,8 | 2,75-3,05 | 1,50-1,90 | 1,35 | 1,60-2,11 | 3 | Pz1 | |
| 5,7-6,05 | 1,8 | 2,75-3,05 | 1,50-1,90 | 1,35 | 1,60-2,11 | 3 | Pz1 | |
| 5,7-6,05 | 1,8 | 2,75-3,05 | 1,50-1,90 | 1,35 | 1,60-2,11 | 3 | Pz1 | |
| 5,7-6,05 | 1,8 | 2,75-3,05 | 1,50-1,90 | 1,35 | 1,60-2,11 | 3 | Pz1 | |
| 5,7-6,05 | 1,8 | 2,75-3,05 | 1,50-1,90 | 1,35 | 1,60-2,11 | 3 | Pz1 | |
| 5,7-6,05 | 1,8 | 2,75-3,05 | 1,50-1,90 | 1,35 | 1,60-2,11 | 3 | Pz1 | |
| 5,7-6,05 | 1,8 | 2,75-3,05 | 1,50-1,90 | 1,35 | 1,60-2,11 | 3 | Pz1 | |
| 5,7-6,05 | 1,8 | 2,75-3,05 | 1,50-1,90 | 1,35 | 1,60-2,11 | 3 | Pz1 | |
| 5,7-6,05 | 1,8 | 2,75-3,05 | 1,50-1,90 | 1,35 | 1,60-2,11 | 3 | Pz1 | |
| 5,7-6,05 | 1,8 | 2,75-3,05 | 1,50-1,90 | 1,35 | 1,60-2,11 | 3 | Pz1 | |
| 6,64-7,05 | 2 | 3,20-3,55 | 1,75-2,15 | 1,6 | 1,76-2,16 | 4 | Pz2 | |
| 6,64-7,05 | 2 | 3,20-3,55 | 1,75-2,15 | 1,6 | 1,76-2,16 | 4 | Pz2 | |
| 6,64-7,05 | 2 | 3,20-3,55 | 1,75-2,15 | 1,6 | 1,76-2,16 | 4 | Pz2 | |
| 6,64-7,05 | 2 | 3,20-3,55 | 1,75-2,15 | 1,6 | 1,76-2,16 | 4 | Pz2 | |
| 6,64-7,05 | 2 | 3,20-3,55 | 1,75-2,15 | 1,6 | 1,76-2,16 | 4 | Pz2 | |
| 6,64-7,05 | 2 | 3,20-3,55 | 1,75-2,15 | 1,6 | 1,76-2,16 | 4 | Pz2 | |
| 6,64-7,05 | 2 | 3,20-3,55 | 1,75-2,15 | 1,6 | 1,76-2,16 | 4 | Pz2 | |
| 6,64-7,05 | 2 | 3,20-3,55 | 1,75-2,15 | 1,6 | 1,76-2,16 | 4 | Pz2 | |
| 6,64-7,05 | 2 | 3,20-3,55 | 1,75-2,15 | 1,6 | 1,76-2,16 | 4 | Pz2 | |
| 6,64-7,05 | 2 | 3,20-3,55 | 1,75-2,15 | 1,6 | 1,76-2,16 | 4 | Pz2 | |
| 6,64-7,05 | 2 | 3,20-3,55 | 1,75-2,15 | 1,6 | 1,76-2,16 | 4 | Pz2 | |
| 6,64-7,05 | 2 | 3,20-3,55 | 1,75-2,15 | 1,6 | 1,76-2,16 | 4 | Pz2 | |
| 6,64-7,05 | 2 | 3,20-3,55 | 1,75-2,15 | 1,6 | 1,76-2,16 | 4 | Pz2 | |
| 6,64-7,05 | 2 | 3,20-3,55 | 1,75-2,15 | 1,6 | 1,76-2,16 | 4 | Pz2 | |
| 6,64-7,05 | 2 | 3,20-3,55 | 1,75-2,15 | 1,6 | 1,76-2,16 | 4 | Pz2 | |
| 6,64-7,05 | 2 | 3,20-3,55 | 1,75-2,15 | 1,6 | 1,76-2,16 | 4 | Pz2 | |
| 6,64-7,05 | 2 | 3,20-3,55 | 1,75-2,15 | 1,6 | 1,76-2,16 | 4 | Pz2 | |
| 6,64-7,05 | 2 | 3,20-3,55 | 1,75-2,15 | 1,6 | 1,76-2,16 | 4 | Pz2 | |
| 6,64-7,05 | 2 | 3,20-3,55 | 1,75-2,15 | 1,6 | 1,76-2,16 | 4 | Pz2 | |
| 7,64-8,05 | 2,35 | 3,70-4,05 | 2,02-2,50 | 1,8 | 2,05-2,51 | 4,4 | Pz2 | |
| 7,64-8,05 | 2,35 | 3,70-4,05 | 2,02-2,50 | 1,8 | 2,05-2,51 | 4,4 | Pz2 | |
| 7,64-8,05 | 2,35 | 3,70-4,05 | 2,02-2,50 | 1,8 | 2,05-2,51 | 4,4 | Pz2 | |
| 7,64-8,05 | 2,35 | 3,70-4,05 | 2,02-2,50 | 1,8 | 2,05-2,51 | 4,4 | Pz2 | |
| 7,64-8,05 | 2,35 | 3,70-4,05 | 2,02-2,50 | 1,8 | 2,05-2,51 | 4,4 | Pz2 | |
| 7,64-8,05 | 2,35 | 3,70-4,05 | 2,02-2,50 | 1,8 | 2,05-2,51 | 4,4 | Pz2 | |
| 7,64-8,05 | 2,35 | 3,70-4,05 | 2,02-2,50 | 1,8 | 2,05-2,51 | 4,4 | Pz2 | |
| 7,64-8,05 | 2,35 | 3,70-4,05 | 2,02-2,50 | 1,8 | 2,05-2,51 | 4,4 | Pz2 | |
| 7,64-8,05 | 2,35 | 3,70-4,05 | 2,02-2,50 | 1,8 | 2,05-2,51 | 4,4 | Pz2 | |
| 7,64-8,05 | 2,35 | 3,70-4,05 | 2,02-2,50 | 1,8 | 2,05-2,51 | 4,4 | Pz2 | |
| 7,64-8,05 | 2,35 | 3,70-4,05 | 2,02-2,50 | 1,8 | 2,05-2,51 | 4,4 | Pz2 | |
| 7,64-8,05 | 2,35 | 3,70-4,05 | 2,02-2,50 | 1,8 | 2,05-2,51 | 4,4 | Pz2 | |
| 7,64-8,05 | 2,35 | 3,70-4,05 | 2,02-2,50 | 1,8 | 2,05-2,51 | 4,4 | Pz2 | |
| 7,64-8,05 | 2,35 | 3,70-4,05 | 2,02-2,50 | 1,8 | 2,05-2,51 | 4,4 | Pz2 | |
| 7,64-8,05 | 2,35 | 3,70-4,05 | 2,02-2,50 | 1,8 | 2,05-2,51 | 4,4 | Pz2 | |
| 7,64-8,05 | 2,35 | 3,70-4,05 | 2,02-2,50 | 1,8 | 2,05-2,51 | 4,4 | Pz2 | |
| 7,64-8,05 | 2,35 | 3,70-4,05 | 2,02-2,50 | 1,8 | 2,05-2,51 | 4,4 | Pz2 | |
| 7,64-8,05 | 2,35 | 3,70-4,05 | 2,02-2,50 | 1,8 | 2,05-2,51 | 4,4 | Pz2 | |
| 7,64-8,05 | 2,35 | 3,70-4,05 | 2,02-2,50 | 1,8 | 2,05-2,51 | 4,4 | Pz2 | |
| 7,64-8,05 | 2,35 | 3,70-4,05 | 2,02-2,50 | 1,8 | 2,05-2,51 | 4,4 | Pz2 | |
| 7,64-8,05 | 2,35 | 3,70-4,05 | 2,02-2,50 | 1,8 | 2,05-2,51 | 4,4 | Pz2 | |
| 7,64-8,05 | 2,35 | 3,70-4,05 | 2,02-2,50 | 1,8 | 2,05-2,51 | 4,4 | Pz2 | |
| 7,64-8,05 | 2,35 | 3,70-4,05 | 2,02-2,50 | 1,8 | 2,05-2,51 | 4,4 | Pz2 | |
| 8,64-9,05 | 2,55 | 4,20-4,55 | 2,22-2,70 | 2 | 2,46-3,02 | 4,8 | Pz2 | |
| 8,64-9,05 | 2,55 | 4,20-4,55 | 2,22-2,70 | 2 | 2,46-3,02 | 4,8 | Pz2 | |
| 8,64-9,05 | 2,55 | 4,20-4,55 | 2,22-2,70 | 2 | 2,46-3,02 | 4,8 | Pz2 | |
| 8,64-9,05 | 2,55 | 4,20-4,55 | 2,22-2,70 | 2 | 2,46-3,02 | 4,8 | Pz2 | |
| 8,64-9,05 | 2,55 | 4,20-4,55 | 2,22-2,70 | 2 | 2,46-3,02 | 4,8 | Pz2 | |
| 8,64-9,05 | 2,55 | 4,20-4,55 | 2,22-2,70 | 2 | 2,46-3,02 | 4,8 | Pz2 | |
| 8,64-9,05 | 2,55 | 4,20-4,55 | 2,22-2,70 | 2 | 2,46-3,02 | 4,8 | Pz2 | |
| 8,64-9,05 | 2,55 | 4,20-4,55 | 2,22-2,70 | 2 | 2,46-3,02 | 4,8 | Pz2 | |
| 8,64-9,05 | 2,55 | 4,20-4,55 | 2,22-2,70 | 2 | 2,46-3,02 | 4,8 | Pz2 | |
| 8,64-9,05 | 2,55 | 4,20-4,55 | 2,22-2,70 | 2 | 2,46-3,02 | 4,8 | Pz2 | |
| 8,64-9,05 | 2,55 | 4,20-4,55 | 2,22-2,70 | 2 | 2,46-3,02 | 4,8 | Pz2 | |
| 8,64-9,05 | 2,55 | 4,20-4,55 | 2,22-2,70 | 2 | 2,46-3,02 | 4,8 | Pz2 | |
| 8,64-9,05 | 2,55 | 4,20-4,55 | 2,22-2,70 | 2 | 2,46-3,02 | 4,8 | Pz2 | |
| 8,64-9,05 | 2,55 | 4,20-4,55 | 2,22-2,70 | 2 | 2,46-3,02 | 4,8 | Pz2 | |
| 8,64-9,05 | 2,55 | 4,20-4,55 | 2,22-2,70 | 2 | 2,46-3,02 | 4,8 | Pz2 | |
| 8,64-9,05 | 2,55 | 4,20-4,55 | 2,22-2,70 | 2 | 2,46-3,02 | 4,8 | Pz2 | |
| 8,64-9,05 | 2,55 | 4,20-4,55 | 2,22-2,70 | 2 | 2,46-3,02 | 4,8 | Pz2 | |
| 8,64-9,05 | 2,55 | 4,20-4,55 | 2,22-2,70 | 2 | 2,46-3,02 | 4,8 | Pz2 | |
| 8,64-9,05 | 2,55 | 4,20-4,55 | 2,22-2,70 | 2 | 2,46-3,02 | 4,8 | Pz2 | |
| 8,64-9,05 | 2,55 | 4,20-4,55 | 2,22-2,70 | 2 | 2,46-3,02 | 4,8 | Pz2 | |
| 8,64-9,05 | 2,55 | 4,20-4,55 | 2,22-2,70 | 2 | 2,46-3,02 | 4,8 | Pz2 | |
| 9,64-10,05 | 2,85 | 4,70-5,05 | 2,52-3,00 | 2,2 | 2,99-3,55 | 5,3 | Pz2 | |
| 9,64-10,05 | 2,85 | 4,70-5,05 | 2,52-3,00 | 2,2 | 2,99-3,55 | 5,3 | Pz2 | |
| 9,64-10,05 | 2,85 | 4,70-5,05 | 2,52-3,00 | 2,2 | 2,99-3,55 | 5,3 | Pz2 | |
| 9,64-10,05 | 2,85 | 4,70-5,05 | 2,52-3,00 | 2,2 | 2,99-3,55 | 5,3 | Pz2 | |
| 9,64-10,05 | 2,85 | 4,70-5,05 | 2,52-3,00 | 2,2 | 2,99-3,55 | 5,3 | Pz2 | |
| 9,64-10,05 | 2,85 | 4,70-5,05 | 2,52-3,00 | 2,2 | 2,99-3,55 | 5,3 | Pz2 | |
| 9,64-10,05 | 2,85 | 4,70-5,05 | 2,52-3,00 | 2,2 | 2,99-3,55 | 5,3 | Pz2 | |
| 9,64-10,05 | 2,85 | 4,70-5,05 | 2,52-3,00 | 2,2 | 2,99-3,55 | 5,3 | Pz2 | |
| 9,64-10,05 | 2,85 | 4,70-5,05 | 2,52-3,00 | 2,2 | 2,99-3,55 | 5,3 | Pz2 | |
| 9,64-10,05 | 2,85 | 4,70-5,05 | 2,52-3,00 | 2,2 | 2,99-3,55 | 5,3 | Pz2 | |
| 9,64-10,05 | 2,85 | 4,70-5,05 | 2,52-3,00 | 2,2 | 2,99-3,55 | 5,3 | Pz2 | |
| 9,64-10,05 | 2,85 | 4,70-5,05 | 2,52-3,00 | 2,2 | 2,99-3,55 | 5,3 | Pz2 | |
| 9,64-10,05 | 2,85 | 4,70-5,05 | 2,52-3,00 | 2,2 | 2,99-3,55 | 5,3 | Pz2 | |
| 9,64-10,05 | 2,85 | 4,70-5,05 | 2,52-3,00 | 2,2 | 2,99-3,55 | 5,3 | Pz2 | |
| 9,64-10,05 | 2,85 | 4,70-5,05 | 2,52-3,00 | 2,2 | 2,99-3,55 | 5,3 | Pz2 | |
| 9,64-10,05 | 2,85 | 4,70-5,05 | 2,52-3,00 | 2,2 | 2,99-3,55 | 5,3 | Pz2 | |
| 9,64-10,05 | 2,85 | 4,70-5,05 | 2,52-3,00 | 2,2 | 2,99-3,55 | 5,3 | Pz2 | |
| 9,64-10,05 | 2,85 | 4,70-5,05 | 2,52-3,00 | 2,2 | 2,99-3,55 | 5,3 | Pz2 | |
| 9,64-10,05 | 2,85 | 4,70-5,05 | 2,52-3,00 | 2,2 | 2,99-3,55 | 5,3 | Pz2 | |
| 9,64-10,05 | 2,85 | 4,70-5,05 | 2,52-3,00 | 2,2 | 2,99-3,55 | 5,3 | Pz2 | |
| 9,64-10,05 | 2,85 | 4,70-5,05 | 2,52-3,00 | 2,2 | 2,99-3,55 | 5,3 | Pz2 | |
| 9,64-10,05 | 2,85 | 4,70-5,05 | 2,52-3,00 | 2,2 | 2,99-3,55 | 5,3 | Pz2 | |
| 9,64-10,05 | 2,85 | 4,70-5,05 | 2,52-3,00 | 2,2 | 2,99-3,55 | 5,3 | Pz2 | |
| 9,64-10,05 | 2,85 | 4,70-5,05 | 2,52-3,00 | 2,2 | 2,99-3,55 | 5,3 | Pz2 | |
| 9,64-10,05 | 2,85 | 4,70-5,05 | 2,52-3,00 | 2,2 | 2,99-3,55 | 5,3 | Pz2 | |
| 9,64-10,05 | 2,85 | 4,70-5,05 | 2,52-3,00 | 2,2 | 2,99-3,55 | 5,3 | Pz2 | |
| 9,64-10,05 | 2,85 | 4,70-5,05 | 2,52-3,00 | 2,2 | 2,99-3,55 | 5,3 | Pz2 | |
| 9,64-10,05 | 2,85 | 4,70-5,05 | 2,52-3,00 | 2,2 | 2,99-3,55 | 5,3 | Pz2 | |
| 11,57-12,05 | 3,35 | 5,70-6,05 | 3,22-4,05 | 2,6 | 2,99-3,55 | 6,6 | Pz3 | |
| 11,57-12,05 | 3,35 | 5,70-6,05 | 3,22-4,05 | 2,6 | 2,99-3,55 | 6,6 | Pz3 | |
| 11,57-12,05 | 3,35 | 5,70-6,05 | 3,22-4,05 | 2,6 | 2,99-3,55 | 6,6 | Pz3 | |
| 11,57-12,05 | 3,35 | 5,70-6,05 | 3,22-4,05 | 2,6 | 2,99-3,55 | 6,6 | Pz3 | |
| 11,57-12,05 | 3,35 | 5,70-6,05 | 3,22-4,05 | 2,6 | 2,99-3,55 | 6,6 | Pz3 | |
| 11,57-12,05 | 3,35 | 5,70-6,05 | 3,22-4,05 | 2,6 | 2,99-3,55 | 6,6 | Pz3 | |
| 11,57-12,05 | 3,35 | 5,70-6,05 | 3,22-4,05 | 2,6 | 2,99-3,55 | 6,6 | Pz3 | |
| 11,57-12,05 | 3,35 | 5,70-6,05 | 3,22-4,05 | 2,6 | 2,99-3,55 | 6,6 | Pz3 | |
| 11,57-12,05 | 3,35 | 5,70-6,05 | 3,22-4,05 | 2,6 | 2,99-3,55 | 6,6 | Pz3 | |
| 11,57-12,05 | 3,35 | 5,70-6,05 | 3,22-4,05 | 2,6 | 2,99-3,55 | 6,6 | Pz3 | |
| 11,57-12,05 | 3,35 | 5,70-6,05 | 3,22-4,05 | 2,6 | 2,99-3,55 | 6,6 | Pz3 | |
| 11,57-12,05 | 3,35 | 5,70-6,05 | 3,22-4,05 | 2,6 | 2,99-3,55 | 6,6 | Pz3 | |
| 11,57-12,05 | 3,35 | 5,70-6,05 | 3,22-4,05 | 2,6 | 2,99-3,55 | 6,6 | Pz3 | |
| 11,57-12,05 | 3,35 | 5,70-6,05 | 3,22-4,05 | 2,6 | 2,99-3,55 | 6,6 | Pz3 | |
| 11,57-12,05 | 3,35 | 5,70-6,05 | 3,22-4,05 | 2,6 | 2,99-3,55 | 6,6 | Pz3 | |
| 11,57-12,05 | 3,35 | 5,70-6,05 | 3,22-4,05 | 2,6 | 2,99-3,55 | 6,6 | Pz3 | |
| 11,57-12,05 | 3,35 | 5,70-6,05 | 3,22-4,05 | 2,6 | 2,99-3,55 | 6,6 | Pz3 | |
| 11,57-12,05 | 3,35 | 5,70-6,05 | 3,22-4,05 | 2,6 | 2,99-3,55 | 6,6 | Pz3 | |
| 11,57-12,05 | 3,35 | 5,70-6,05 | 3,22-4,05 | 2,6 | 2,99-3,55 | 6,6 | Pz3 | |
| 11,57-12,05 | 3,35 | 5,70-6,05 | 3,22-4,05 | 2,6 | 2,99-3,55 | 6,6 | Pz3 | |
| 11,57-12,05 | 3,35 | 5,70-6,05 | 3,22-4,05 | 2,6 | 2,99-3,55 | 6,6 | Pz3 | |
| 11,57-12,05 | 3,35 | 5,70-6,05 | 3,22-4,05 | 2,6 | 2,99-3,55 | 6,6 | Pz3 | |
| 11,57-12,05 | 3,35 | 5,70-6,05 | 3,22-4,05 | 2,6 | 2,99-3,55 | 6,6 | Pz3 | |
| 11,57-12,05 | 3,35 | 5,70-6,05 | 3,22-4,05 | 2,6 | 2,99-3,55 | 6,6 | Pz3 | |
| 11,57-12,05 | 3,35 | 5,70-6,05 | 3,22-4,05 | 2,6 | 2,99-3,55 | 6,6 | Pz3 | |
| 11,57-12,05 | 3,35 | 5,70-6,05 | 3,22-4,05 | 2,6 | 2,99-3,55 | 6,6 | Pz3 | |
| 11,57-12,05 | 3,35 | 5,70-6,05 | 3,22-4,05 | 2,6 | 2,99-3,55 | 6,6 | Pz3 | |
| 11,57-12,05 | 3,35 | 5,70-6,05 | 3,22-4,05 | 2,6 | 2,99-3,55 | 6,6 | Pz3 |



Разработка сайта