8 (0162) 533 566
с 9:00 до 17:30 (опт)
с 9:00 до 17:00 (розница)
8 (0162) 533 566
8 (033) 691 91 77
8 (029) 798 35 44
Наш адрес: 224024, г. Брест
ул. Красногвардейская, 108Б Схема проезда
-
Крепежная техника
-
Ручной инструмент
-
Электроинструмент и оснастка
-
Оборудование для промышленности
-
Средства индивидуальной защиты
-
Строительные материалы
-
Хозяйственные товары
-
Электротовары
-
Измерительный инструмент
-
Лестницы стремянки
-
Автомобильные товары
-
Мойки высокого давления
-
Сантехника
-
Аппараты для сварки полимерных труб
-
Инструмент для монтажа труб и расходные материалы
-
Канализационные трубы
-
Наружная канализация
-
Коллекторы для воды
-
Коллекторные фитинги
-
Металлопластиковые трубы
-
Обжимные фитинги для металлопластиковых труб
-
Полимерные трубы
-
Шаровые краны для металлопластиковых труб
-
Полипропиленовые трубы
-
Радиаторы отопления
-
Фильтры сантехнические
-
-
Бензоинструмент и оснастка
-
Садовая техника
Лучшие цены в Бресте!
Официальные сертификаты на всю продукцию!
Работаем оптом и в розницу!
Свой аппарат для колеровки краски !
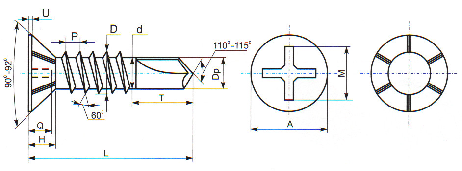
Саморез оконный
Предназначен для соединения пластмассовых профилей с усиливающими элементами и других монтажных работ
Уменьшенная потайная головка с насечками для раззенковки, крестообразный шлиц Philips № 2, наконечник - сверло, частая резьба, белый цинк
Монтаж: закрутить саморез при помощи отвертки или дрели с крестообразной насадкой Phillips №2. Представлен в виде стержня со сверловым окончанием, так как в основном работать им приходится с металлом, этим фактом обусловлены и часто расположенные витки резьбы.
Монтаж: закрутить саморез при помощи отвертки или дрели с крестообразной насадкой Phillips №2. Представлен в виде стержня со сверловым окончанием, так как в основном работать им приходится с металлом, этим фактом обусловлены и часто расположенные витки резьбы.
Головка потайная c крестообразным шлицем (Philips №2) и расположенными на внутренней части насечками, служащими для раззенковки отверстия.
Покрытие - желтый или белый цинк.
Технические характеристики
| Размер (D x L) | L, мм | Q, мм | A, мм | P, мм | D, мм | Dp, мм | U, мм | H, мм | T, мм |
|---|---|---|---|---|---|---|---|---|---|
| 12,30-13,37 | 2,03-2,53 | 7,14-7,50 | 1,3-1,4 | 3,75-3,91 | 3,05-3,20 | 0,8 | 2,4-2,5 | 4,5-5,5 | |
| 15,30-16,70 | 2,03-2,53 | 7,14-7,50 | 1,3-1,4 | 3,75-3,91 | 3,05-3,20 | 0,8 | 2,4-2,5 | 4,5-5,5 | |
| 18,30-19,70 | 2,03-2,53 | 7,14-7,50 | 1,3-1,4 | 3,75-3,91 | 3,05-3,20 | 0,8 | 2,4-2,5 | 4,5-5,5 | |
| 24,30-25,70 | 2,03-2,53 | 7,14-7,50 | 1,3-1,4 | 3,75-3,91 | 3,05-3,20 | 0,8 | 2,4-2,5 | 4,5-5,5 | |
| 31,30-32,70 | 2,03-2,53 | 7,14-7,50 | 1,3-1,4 | 3,75-3,91 | 3,05-3,20 | 0,8 | 2,4-2,5 | 4,5-5,5 | |
| 34,30-35,70 | 2,03-2,53 | 7,14-7,50 | 1,3-1,4 | 3,75-3,91 | 3,05-3,20 | 0,8 | 2,4-2,5 | 4,5-5,5 |



Разработка сайта