8 (0162) 533 566
с 9:00 до 17:30 (опт)
с 9:00 до 17:00 (розница)
8 (0162) 533 566
8 (033) 691 91 77
8 (029) 798 35 44
Наш адрес: 224024, г. Брест
ул. Красногвардейская, 108Б Схема проезда
-
Крепежная техника
-
Ручной инструмент
-
Электроинструмент и оснастка
-
Оборудование для промышленности
-
Средства индивидуальной защиты
-
Строительные материалы
-
Хозяйственные товары
-
Электротовары
-
Измерительный инструмент
-
Лестницы стремянки
-
Автомобильные товары
-
Мойки высокого давления
-
Сантехника
-
Аппараты для сварки полимерных труб
-
Инструмент для монтажа труб и расходные материалы
-
Канализационные трубы
-
Наружная канализация
-
Коллекторы для воды
-
Коллекторные фитинги
-
Металлопластиковые трубы
-
Обжимные фитинги для металлопластиковых труб
-
Полимерные трубы
-
Шаровые краны для металлопластиковых труб
-
Полипропиленовые трубы
-
Радиаторы отопления
-
Фильтры сантехнические
-
-
Бензоинструмент и оснастка
-
Садовая техника
Лучшие цены в Бресте!
Официальные сертификаты на всю продукцию!
Работаем оптом и в розницу!
Свой аппарат для колеровки краски !
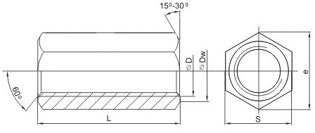
Гайка удлиняющая DIN 6334
Применяется для конструкционных соединений резьбовых элементов: шпилек, болтов и др.
Резьба: метрическая, нормальная, класса точности среднего (6Н).
Покрытие: оцинкованная.
Материал: сталь С1008.
Технические характеристики
| D, диаметр | P, мм | e, мм | L, мм | S, мм |
|---|---|---|---|---|
| 1 | 11,05 | 17,60-18,40 | 9,73-10,00 | |
| 1,25 | 14,38 | 23,60-24,40 | 12,73-13,00 | |
| 1,5 | 18,9 | 29,60-30,40 | 16,73-17,00 | |
| 1,75 | 21,16 | 35,60-36,40 | 18,73-19,00 | |
| 2 | 24,49 | 41,80-42,00 | 21,80-22,00 | |
| 2 | 26,75 | 47,60-48,40 | 23,73-24,00 |



Разработка сайта