8 (0162) 533 566
с 9:00 до 17:30 (опт)
с 9:00 до 17:00 (розница)
8 (0162) 533 566
8 (033) 691 91 77
8 (029) 798 35 44
Наш адрес: 224024, г. Брест
ул. Красногвардейская, 108Б Схема проезда
-
Крепежная техника
-
Ручной инструмент
-
Электроинструмент и оснастка
-
Оборудование для промышленности
-
Средства индивидуальной защиты
-
Строительные материалы
-
Хозяйственные товары
-
Электротовары
-
Измерительный инструмент
-
Лестницы стремянки
-
Автомобильные товары
-
Мойки высокого давления
-
Сантехника
-
Аппараты для сварки полимерных труб
-
Инструмент для монтажа труб и расходные материалы
-
Канализационные трубы
-
Наружная канализация
-
Коллекторы для воды
-
Коллекторные фитинги
-
Металлопластиковые трубы
-
Обжимные фитинги для металлопластиковых труб
-
Полимерные трубы
-
Шаровые краны для металлопластиковых труб
-
Полипропиленовые трубы
-
Радиаторы отопления
-
Фильтры сантехнические
-
-
Бензоинструмент и оснастка
-
Садовая техника
Лучшие цены в Бресте!
Официальные сертификаты на всю продукцию!
Работаем оптом и в розницу!
Свой аппарат для колеровки краски !
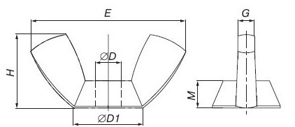
Гайка барашковая DIN 315
Предназначена для крепления и соединения узлов и деталей в машиностроении, строительстве, там, где требуется быстрая и частая разборка – сборка крепежного соединения. Гайка снабжена «барашками» для закручивания/откручивания вручную, что позволяет работать без специальных инструментов.
Резьба: метрическая, нормальная, класса точности среднего (6Н).
Покрытие: оцинкованная.
Материал: сталь С1008.
Резьба: метрическая, нормальная, класса точности среднего (6Н).
Покрытие: оцинкованная.
Материал: сталь С1008.
Гайку заворачивают руками без использования инструментов. Часто с гайкой барашек используют шайбу и гровер.
Технические характеристики
| D, диаметр | P, шаг резьбы, мм | E, мм | H, мм | D1, мм | M, мм | G, мм |
|---|---|---|---|---|---|---|
| 0,50 | 18,50 | 8,80 | 7,80 | 3,00 | 2,00 | |
| 0,70 | 21,00 | 9,60 | 8,80 | 4,00 | 2,50 | |
| 0,80 | 22,00 | 10,50 | 9,50 | 4,00 | 2,60 | |
| 1,00 | 26,80 | 12,90 | 11,90 | 4,90 | 3,00 | |
| 1,25 | 30,30 | 14,80 | 13,50 | 5,40 | 3,30 | |
| 1,50 | 35,30 | 17,30 | 15,30 | 6,30 | 4,00 |



Разработка сайта