8 (0162) 533 566
с 9:00 до 17:30 (опт)
с 9:00 до 17:00 (розница)
8 (0162) 533 566
8 (033) 691 91 77
8 (029) 798 35 44
Наш адрес: 224024, г. Брест
ул. Красногвардейская, 108Б Схема проезда
-
Крепежная техника
-
Ручной инструмент
-
Электроинструмент и оснастка
-
Оборудование для промышленности
-
Средства индивидуальной защиты
-
Строительные материалы
-
Хозяйственные товары
-
Электротовары
-
Измерительный инструмент
-
Лестницы стремянки
-
Автомобильные товары
-
Мойки высокого давления
-
Сантехника
-
Аппараты для сварки полимерных труб
-
Инструмент для монтажа труб и расходные материалы
-
Канализационные трубы
-
Наружная канализация
-
Коллекторы для воды
-
Коллекторные фитинги
-
Металлопластиковые трубы
-
Обжимные фитинги для металлопластиковых труб
-
Полимерные трубы
-
Шаровые краны для металлопластиковых труб
-
Полипропиленовые трубы
-
Радиаторы отопления
-
Фильтры сантехнические
-
-
Бензоинструмент и оснастка
-
Садовая техника
Лучшие цены в Бресте!
Официальные сертификаты на всю продукцию!
Работаем оптом и в розницу!
Свой аппарат для колеровки краски !
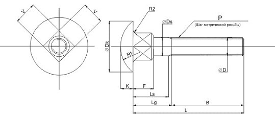
Болт мебельный DIN 603
Применяется при мебельном производстве.
Материал: сталь C1008.
Болт с полукруглой головкой — популярный крепежный элемент в мебельном производстве. При изготовлении предметов интерьера наряду с правильным выбором материала важнейшую роль играет надежный крепеж, ведь именно от него зависит срок службы изделий.
Изготовленный из металла стержень цилиндрической формы с головкой на одной стороне и нанесенной резьбой разной длины – на другой. Предназначается для скрепления различных частей обрабатываемого предмета. С одной стороны продевается в отверстие, а с другой навинчивается гайка. Такой вид крепежа способен выдержать большие нагрузки.
Технические характеристики
| Размер(D x L) | P, мм(шаг резьбы) | B, мм | F, мм | Dk, мм | Ds, мм | k, мм | V, мм |
|---|---|---|---|---|---|---|---|
| 1,00 | 18 | 4,6 | 16,55 | 5,52-6,00 | 3,88 | 6,45 | |
| 1,00 | 18 | 4,6 | 16,55 | 5,52-6,00 | 3,88 | 6,45 | |
| 1,00 | 18 | 4,6 | 16,55 | 5,52-6,00 | 3,88 | 6,45 | |
| 1,00 | 18 | 4,6 | 16,55 | 5,52-6,00 | 3,88 | 6,45 | |
| 1,00 | 18 | 4,6 | 16,55 | 5,52-6,00 | 3,88 | 6,45 | |
| 1,00 | 18 | 4,6 | 16,55 | 5,52-6,00 | 3,88 | 6,45 | |
| 1,00 | 18 | 4,6 | 16,55 | 5,52-6,00 | 3,88 | 6,45 | |
| 1,00 | 18 | 4,6 | 16,55 | 5,52-6,00 | 3,88 | 6,45 | |
| 1,00 | 18 | 4,6 | 16,55 | 5,52-6,00 | 3,88 | 6,45 | |
| 1,00 | 18 | 4,6 | 16,55 | 5,52-6,00 | 3,88 | 6,45 | |
| 1,00 | 18 | 4,6 | 16,55 | 5,52-6,00 | 3,88 | 6,45 | |
| 1,00 | 18 | 4,6 | 16,55 | 5,52-6,00 | 3,88 | 6,45 | |
| 1,00 | 18 | 4,6 | 16,55 | 5,52-6,00 | 3,88 | 6,45 | |
| 1,00 | 18 | 4,6 | 16,55 | 5,52-6,00 | 3,88 | 6,45 | |
| 1,00 | 18 | 4,6 | 16,55 | 5,52-6,00 | 3,88 | 6,45 | |
| 1,25 | 22 | 5,6 | 20,65 | 7,42-8,00 | 4,88 | 8,58 | |
| 1,25 | 22 | 5,6 | 20,65 | 7,42-8,00 | 4,88 | 8,58 | |
| 1,25 | 22 | 5,6 | 20,65 | 7,42-8,00 | 4,88 | 8,58 | |
| 1,25 | 22 | 5,6 | 20,65 | 7,42-8,00 | 4,88 | 8,58 | |
| 1,25 | 22 | 5,6 | 20,65 | 7,42-8,00 | 4,88 | 8,58 | |
| 1,25 | 22 | 5,6 | 20,65 | 7,42-8,00 | 4,88 | 8,58 | |
| 1,25 | 22 | 5,6 | 20,65 | 7,42-8,00 | 4,88 | 8,58 | |
| 1,25 | 22 | 5,6 | 20,65 | 7,42-8,00 | 4,88 | 8,58 | |
| 1,25 | 22 | 5,6 | 20,65 | 7,42-8,00 | 4,88 | 8,58 | |
| 1,25 | 22 | 5,6 | 20,65 | 7,42-8,00 | 4,88 | 8,58 | |
| 1,25 | 22 | 5,6 | 20,65 | 7,42-8,00 | 4,88 | 8,58 | |
| 1,25 | 22 | 5,6 | 20,65 | 7,42-8,00 | 4,88 | 8,58 | |
| 1,25 | 22 | 5,6 | 20,65 | 7,42-8,00 | 4,88 | 8,58 | |
| 1,25 | 22 | 5,6 | 20,65 | 7,42-8,00 | 4,88 | 8,58 | |
| 1,25 | 22 | 5,6 | 20,65 | 7,42-8,00 | 4,88 | 8,58 | |
| 1,25 | 22 | 5,6 | 20,65 | 7,42-8,00 | 4,88 | 8,58 | |
| 1,25 | 22 | 5,6 | 20,65 | 7,42-8,00 | 4,88 | 8,58 | |
| 1,25 | 22 | 5,6 | 20,65 | 7,42-8,00 | 4,88 | 8,58 | |
| 1,5 | 26 | 6,6 | 24,65 | 9,52-10,00 | 5,38 | 10,58 | |
| 1,5 | 26 | 6,6 | 24,65 | 9,52-10,00 | 5,38 | 10,58 | |
| 1,5 | 26 | 6,6 | 24,65 | 9,52-10,00 | 5,38 | 10,58 | |
| 1,5 | 26 | 6,6 | 24,65 | 9,52-10,00 | 5,38 | 10,58 | |
| 1,5 | 26 | 6,6 | 24,65 | 9,52-10,00 | 5,38 | 10,58 | |
| 1,5 | 26 | 6,6 | 24,65 | 9,52-10,00 | 5,38 | 10,58 | |
| 1,5 | 26 | 6,6 | 24,65 | 9,52-10,00 | 5,38 | 10,58 | |
| 1,5 | 26 | 6,6 | 24,65 | 9,52-10,00 | 5,38 | 10,58 | |
| 1,5 | 26 | 6,6 | 24,65 | 9,52-10,00 | 5,38 | 10,58 | |
| 1,5 | 26 | 6,6 | 24,65 | 9,52-10,00 | 5,38 | 10,58 | |
| 1,5 | 26 | 6,6 | 24,65 | 9,52-10,00 | 5,38 | 10,58 | |
| 1,5 | 26 | 6,6 | 24,65 | 9,52-10,00 | 5,38 | 10,58 | |
| 1,5 | 26 | 6,6 | 24,65 | 9,52-10,00 | 5,38 | 10,58 | |
| 1,5 | 26 | 6,6 | 24,65 | 9,52-10,00 | 5,38 | 10,58 | |
| 1,5 | 26 | 6,6 | 24,65 | 9,52-10,00 | 5,38 | 10,58 | |
| 1,5 | 26 | 6,6 | 24,65 | 9,52-10,00 | 5,38 | 10,58 | |
| 1,5 | 26 | 6,6 | 24,65 | 9,52-10,00 | 5,38 | 10,58 | |
| 1,5 | 26 | 6,6 | 24,65 | 9,52-10,00 | 5,38 | 10,58 | |
| 1,5 | 26 | 6,6 | 24,65 | 9,52-10,00 | 5,38 | 10,58 |



Разработка сайта